欢迎光临佛山市28多多风机设备有限公司官网!

高端不锈钢风机设备制造厂家

不止好产品 · 更有全面的解决方案 n1.png

0757-86447962

13798645908

不锈钢离心风机
您当前的位置 : 首 页 > 产品中心 > WQE型高温风机

WQE8-15kw 高温风机

  • 风机性能参数:

    转速:1450转

    流量:15826-29344m3/h

    压力:2032-1490pa

    风冷型耐温≤180℃   水冷型耐温≤230℃

    材质:碳钢、不锈钢304#

  • 产品概述
  • 性能特点
  • 技术参数

风机的用途:    


    1、针对干燥行业、锅炉行业、清洗行业、涂装行业、食品烘干行业配套而研发的自主产品__耐高温离心风机。 

    2、WQE型使用温度在150℃-250℃之间。 如输送温度超过180 ℃应接通水管降温,确保风机寿命。  

    3、输送的气体为空气或其他不自燃、不自爆、无缠绕性、对人体无害、对钢铁材料无腐蚀之气体。也可作为各行业输送无腐蚀性、不自燃、不含粘性物质的热气、蒸气、烟气。其它性能相近者亦可选用,但输送介质的温度不得超过其额定温度范围。 

    4、气体内不许有粘性物质,所含的尘土及硬质颗粒不大于150mg/m3。如含尘土量大,在风机前必须加装准备就绪不低于85%的除尘装置,降低进入风机的烟气含尘量,以利提高风机寿命。 

风机的安装形式: 

    1、此风机有两种形式。从电机一侧正视,叶轮顺时针旋转者称右旋风机,以“右”表示;叶轮逆进针旋转者称左旋风机,以“左”表示。 

    2、风机的出口位置,以机壳的出风口角度表示。风机№1.5~8.3出厂时均做成一种可调型式,使用单位根据要求再安装成所需要的位置。出风口位置调整范围是0°~270°,间隔是45°。传动方式均为“A”式直联传动。 

风机的结构特点: 

    1、风机主要由叶轮、机壳、进风口、电机、连接器、散热风叶等部分组成。 

    2、WDF型叶轮采用多翼式单进离心叶轮,用优质的镀锌板或冷轧钢板制成,叶片依据空气动力原理设计。WQE型叶轮由10个后倾机翼型叶片、曲线型前盘和平板后盘组成。材料用强度高、耐用性好的优质钢板制造,并经严格的动、静平衡校正。空气性能良好,效率高,运转平稳。 

    3、进风口采用收敛流线型减涡形式,气流损失较小,风机的工作效率高。 

    4、风机机壳与电机以金属铸件安装连接,电机轴头上安装散热风叶,金属铸件的外壁上开设进、出水管接口,对金属铸件与轴头进行降温,确保电机在高温下正常运行。 

    5、其电机采用特殊高温电机,风机流体部分采用耐温材料,降温结构性能可靠。相比其实锅炉引风机,WQE型结构简单,维护方便,性价比高等优点。 

订货须知: 

    订货时请注明风机的规格型号、需配电机功率及转速、出风口角度和风机的旋转方向。




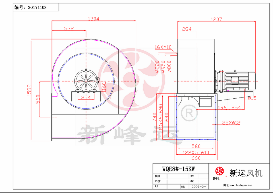
产品安装尺寸图


耐高温风机





佛山耐高温风机厂家

厂家实力.jpg


高温轴流风机不锈钢高温风机的区别:


1、至高耐温不同。高温轴流风机,耐温并不是很高,比起高温离心风机动辄上千度的耐温,它的耐温只能是小巫见大巫,至高也不过200摄氏度,但较之普通轴流风机已经是很大进步,使其能否应用到一些特殊的工况。比如微小型锅炉的引风机,低压力高温气体的输送。


2、构造不同。高温离心风机当然是离心式,它的电机外置,传动方式多种,比如直连式,三角带传动、联轴器传动等等,它有专门的水冷却装置,而高温轴流风机就没有这么复杂了,仅仅为电机直联或皮带传动,也没有水冷降温装置。则应使用防爆型的高温轴流风机,这样可以确保使用的安全性。


3、材质不同。高温离心风机一般采用各类耐热合金钢、不锈钢,少数要求较低温度的采用锰钢或碳钢,而高温轴流风机一般只采用碳钢材质,极少数同时要求防腐的风机采用不锈钢材质。


4、电机不同。高温离心风机一般采用Y系列高效节能普通电机,有防爆要求的采用防爆电机,防护等级一般IP54 IP55;电机的功率多种,有几个kw的也有上百kw的,高温轴流风机采用轴流风机专用耐高温电机,防护等级高达IP65,使其能在高温环境下正常工作,而且同时兼具防潮防油的功能,当风机间断运行产生冷凝水或介质为蒸汽时,电机都不会受影响,也不影响其使用寿命,它的电机功率较小,一般都在11kw以下了。


风机的结构特点: 

    1、风机主要由叶轮、机壳、进风口、电机、连接器、散热风叶等部分组成。 

    2、WDF型叶轮采用多翼式单进离心叶轮,用优质的镀锌板或冷轧钢板制成,叶片依据空气动力原理设计。WQE型叶轮由10个后倾机翼型叶片、曲线型前盘和平板后盘组成。材料用强度高、耐用性好的优质钢板制造,并经严格的动、静平衡校正。空气性能良好,效率高,运转平稳。 

    3、进风口采用收敛流线型减涡形式,气流损失较小,风机的工作效率高。 

    4、风机机壳与电机以金属铸件安装连接,电机轴头上安装散热风叶,金属铸件的外壁上开设进、出水管接口,对金属铸件与轴头进行降温,确保电机在高温下正常运行。 

    5、其电机采用特殊高温电机,风机流体部分采用耐温材料,降温结构性能可靠。相比其实锅炉引风机,WQE型结构简单,维护方便,性价比高等优点。 



WQE8#-15kw高温风机技术参数


cs.jpg





WQE8#-15kw高温风机技性能曲线


WQE8#-15kw.png





本文网址:/product/746.html
上一篇:WQE8.3-18.5kw 低速风机2023-12-13
下一篇:WQE7.5-11kw 高温风机2021-06-07

最近浏览:

业务电话:0757-8644-7962

固话:0757-8644-7930

邮箱:fsxinyun@163.com

地址:广东佛山市南海区罗村塱沙工业园

联系咨询热线

0757-8644-7962

欢迎您来电咨询

COPYRIGHT ?佛山市28多多风机设备有限公司 ALL RIGHTS RESERVED 备案号: 粤ICP备13065636号 主要从事于不锈钢风机厂家,不锈钢高温风机,不锈钢离心风机, 欢迎来电咨询!